Sie sind hier: Heim » Nachricht
  • 2025-07-29
    Artikel eröffnet in der wettbewerbsfähigen Haushaltsgerätebranche haben die Hersteller von Klimaanlagen einen zunehmenden Druck, ästhetische Exzellenz mit dauerhafter Leistung zu kombinieren. Kratzerresistente Panels mit hohem Gloss haben sich von den Premium-Funktionen zu den Erwartungen der Verbraucher übergegangen und haben Innovationen bei Verletzungen vorgenommen
  • 2025-07-23
    In der sich entwickelnden Welt der Klimaanlagen sind Ästhetik, Funktionalität und Energieeffizienz nicht mehr optional. Sie sind wichtig, um Wettbewerbsfähigkeit zu vermarkten. Entdecken Sie, wie mehrfarbige Injektionsformungen die Produktion von Klimaanlagen (AC) -Lütern (AC) durch Kombination von Ästhetik, Funktionalität und Nachhaltigkeit verändern.
  • 2025-07-23
    Hot Runner-Formen sind zu einer wesentlichen Technologie bei der Herstellung von Kfz-Innenräumen geworden, sodass die Hersteller eine hohe Präzision, reduzierte Zykluszeiten und die kostengünstige Produktion für komplexe Komponenten erreichen können. In diesem Artikel wird die Bedeutung von Hot Runner -Formen in der Herstellung von Automobilteilen, einschließlich Dashboards, Türscheiben und Konsolenverkleidungen, untersucht.
  • 2025-07-23
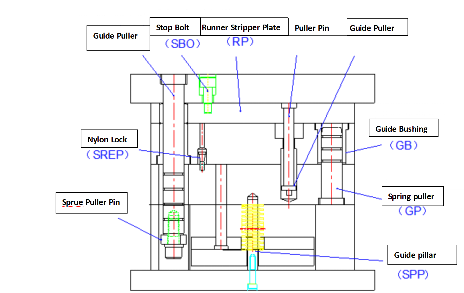
    Injektionsformen sind das Rückgrat der Präzisionsherstellung in Branchen, die von Automobil- und Medizinprodukten bis hin zu Haushaltsgeräten und Unterhaltungselektronik reichen. Erfahren Sie, wie proaktive Wartung die Zykluszeiten reduzieren, die Produktqualität verbessern und die allgemeine Produktionseffizienz verbessern und gleichzeitig Ausfallzeiten und Kosten minimieren kann.
  • 2025-07-23
    Die Haushaltsgerätebranche hat zu einem Anstieg der Produktvielfalt und der Gestaltung der Personalisierung verzeichnet, um den Anforderungen verschiedener Märkte und Kundenpräferenzen gerecht zu werden. Gewinnen Sie Einblicke in die Markttreiber, Herausforderungen und Lösungen für die Einführung von QMC-Systemen und sehen Sie sich reale Beispiele ihrer Anwendung in der Produktion von Klimaanlagen an.
  • 2025-07-23
    Die Schimmelpilzindustrie ist in einem entscheidenden Zeitpunkt. Der globale Wettbewerb, die steigenden Arbeitskosten und die Nachfrage nach hoher Präzision, kostengünstigen und schnelllebenden Formen haben Hersteller dazu veranlasst, die Industrie-Technologien zu übernehmen, um traditionelle Schimmelpilzfabriken in Smart-Formfabriken umzuwandeln. Erforschen Sie die Vorteile von intelligenten Formfabriken und die Zukunft der intelligenten, datengesteuerten Schimmelpilzherstellung.
  • 2025-07-21
    Bildquelle: Pexelsyou verwenden digitale Inspektionstechnologien, um Formen genauer zu gestalten. Präzision ist in jedem Schritt wichtig, vom Design bis zum Formteilen. Intelligente Formen haben Sensoren, die Temperatur, Druck und Fluss überprüfen. Diese Sensoren geben Echtzeitdaten an. Dies hilft bei der Wartung und hält den Profi
  • 2025-07-21
    Simage Quelle: PexelsDie Welt bewegt sich in Bezug auf hohe Präzisionstrends bei der Herstellung von Geräten. Diese Änderung hat die Injektionsformen der Haushaltsgeräte beeinflusst. In den letzten zehn Jahren begannen Unternehmen, Hochdruck-Injektionsform zu verwenden. Dies hilft ihnen dabei
  • 2025-07-17
    --- Titel: 'Chinas Schimmelpilz-Exportmarkt: Chancen und Herausforderungen' Beschreibung: 'Chinas Schimmelpilzexportmarkt im Jahr 2024 bietet Kostenvorteile und technisches Wachstum, sieht jedoch Tarife, IP-Risiken und steigenden Wettbewerb. Schlüsselerkenntnisse für globale Käufer.
  • 2025-07-10
    Injection-Formteile ist das Rückgrat der Präzisions-Kunststoffherstellung und ermöglicht die Herstellung komplexer, hochwertiger Teile in Branchen wie Automobilzusammenhälften, Haushaltsgeräten, medizinischen Geräten und industrieller Elektronik.

ZHUHAI GREE DAIKIN PRECISION MOLD CO., LTD.

Tel.: +86-756-8593099
Nr. 688, Jinji Road, Bezirk Xiangzhou, Zhuhai, Guangdong, China.

SCHNELLE LINKS

PRODUKTE

Sich in Verbindung setzen
Urheberrecht © 2022 ZHUHAI GREE DAIKIN PRECISION MOLD CO., LTD. Datenschutzrichtlinie | Seitenverzeichnis |Unterstützt durch leadong.com